Sua Posi??o: Home Page >> Carboneto de Tungstênio >> Carboneto de Tungstênio Dies >> Carboneto de Tungstênio Punching Dies >> BG Punching Die
BG Punching Die
?Nome:BG Punching Die
Usage:Para fazer bolas de a?o
Punching die blanks Para fazer bolas de a?o
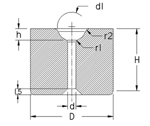
| Tipo | Dimens?o(㎜) | ||||||
| d1 | D | H | d | h | r1 | r2 | |
| BG1812102 | 1.8 | 12.2 | 10.2 | 0.8 | 0.5 | 0.4 | 1.0 |
| BG2212102 | 2.2 | 0.7 | |||||
| BG2612102 | 2.6 | 0.9 | 0.9 | ||||
| BG3012102 | 3.0 | 1.2 | |||||
| BG3412102 | 3.4 | 1.3 | |||||
| BG3812102 | 3.8 | 1.5 | |||||
| BG4212102 | 4.2 | 1.7 | |||||
| BG4812102 | 4.8 | 2.0 | |||||
| BG5215122 | 5.2 | 15.2 | 12.2 | 2.2 | 0.6 | 1.5 | |
| BG5615122 | 5.6 | 1.3 | 2.3 | ||||
| BG6015122 | 6.0 | 2.5 | |||||
| BG6515122 | 6.5 | 2.8 | |||||
| BG6820152 | 6.8 | 20.2 | 15.2 | 2.8 | |||
| BG7320152 | 7.3 | 1.8 | 3.1 | ||||
| BG8120152 | 8.1 | 3.5 | |||||
| BG8620152 | 8.6 | 3.8 | |||||
| BG9625202 | 9.6 | 25.3 | 20.2 | 2.3 | 4.2 | 0.8 | 2.0 |
| BG10225202 | 10.2 | 4.6 | |||||
| BG10525202 | 10.5 | 5.0 | |||||
| BG11225202 | 11.2 | 5.0 | |||||
| BG11630202 | 11.6 | 30.3 | 5.0 | ||||
| BG12030202 | 12.0 | 2.8 | 5.4 | ||||
| BG12430202 | 12.4 | 5.6 | |||||
| BG12830202 | 12.8 | 5.8 | |||||
| BG13730202 | 13.7 | 6.2 | |||||
| BG14030202 | 14.0 | 6.2 | |||||
| BG14530202 | 14.5 | 3.3 | 6.6 | ||||
| BG15335252 | 15.3 | 35.4 | 25.2 | 7.0 | |||
| BG16035252 | 16.0 | 7.3 | |||||
| BG16835252 | 16.8 | 7.7 | |||||
| BG17235252 | 17.2 | 3.8 | 7.7 | ||||
| BG17640252 | 17.6 | 40.4 | 8.0 | ||||
| BG18440252 | 18.4 | 8.3 | |||||
| BG19240252 | 19.2 | 8.7 | |||||
| BG20045302 | 20.0 | 45.4 | 30.2 | 9.1 | 1.0 | 2.5 | |
| BG20845302 | 20.8 | 9.5 | |||||
| BG21645302 | 21.6 | 9.8 | |||||
| BG22445302 | 22.4 | 10.2 | |||||
| BG23250302 | 23.2 | 50.4 | 4.3 | 10.6 | |||
| BG24050302 | 24.0 | 11.0 | |||||
| BG24850302 | 24.8 | 11.4 | |||||
| BG25550302 | 25.5 | 11.8 | |||||




sales@chinatungsten.com